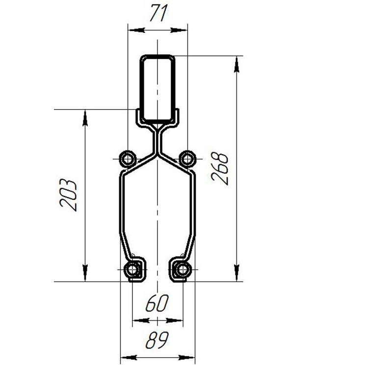
ширина -89 мм.
высота — 203 мм.
Вес — 18,8 кг. метр погонный.
Цена указана за 1 погонный метр

Профиль крановый — основной элемент для построения подвесных путей перемещения грузов и балочных мостов легких крановых систем, так же используется для строительства и консольных кранов РОЛТЭК.
Отличие от профиля 505 в том, что по верхнему краю закреплена профильная труба, которая увеличивает его жесткость.
Цена указана за 1 погонный метр, длина под заказ до 9 метров.
Профиль имеет особую «жесткую» геометрию и произведен из высокопрочной стали S355. Профиль состоит из двух половинок, которые соединены между собой методом контактной сварки по внешней, и по внутренней части профиля. Профиль изготавливается двух типоразмеров в базовом и усиленном вариантах.
Вес профиля базового 505 — 21,8 кг. метр погонный.
Ширина профиля -89 мм., высота — 268 мм.
Преимущество кранового профиля РОЛТЭК перед конструкциями из двутавра в том, что тележки ездят внутри профиля. Профиль имеет закрытую геометрию и ходовая часть тележек защищена от попадания влаги, посторонних предметов и пыли. Гладкая поверхность профиля и тележки на качественных подшипниках обеспечивают легкость хода при автоматизированном и ручном перемещении грузов весь срок службы, усилие перемещения составляет не более 1% от веса груза.
Для определения необходимого размера профиля для изготовления балочного моста и крановых путей, размеров пролетов кранов и расстояния между подвесами используйте Диаграмму несущей способности профиля.

Пример: для профиля 504 на участке длиной 6 м максимально допустимая нагрузка около 0,75 т, прогиб 17,1 мм; а для профиля 505 при тех же величинах прогиба и длины участка допустимая нагрузка около 1,45 т.
Профиль поставляется как в составе кранов РОЛТЭК, так и отдельными изделиями для проектирования и возведения собственных конструкций на базе крановых комплектующих РОЛТЭК.
Профиль поставляется под заказ длиной от 25 см до 9 метров с шагом 5 см.
Профили базовые и усиленные можно стыковать между собой для производства кранового пути длиной более 9 метров. Стыковочные элементы в виде втулок, позволяют производить соединение профилей. С обеих сторон профиль имеет перфорацию для крепления буфера пути (код 388.RC74, 389.RC74).
Применяется совместно с тележками мостовыми:
560 — Тележка мостовая гп 600 кг, однобалочная;
570 — Тележка мостовая гп 1200 кг, однобалочная;
571.504 — Тележка мостовая гп 1200 кг, однобалочная УСВ для 504-505;
571.504.TЭK — Тележка мостовая ТЭК гп 1200 кг, однобалочная УСВ для 504-505;
571.506 — Тележка мостовая гп 1200 кг, однобалочная УСВ для 506-507;
571.506.ТЭК — Тележка мостовая ТЭК гп 1200 кг, однобалочная УСВ для 506-507;
574 — Тележка мостовая гп 1200 кг, двухбалочная, колея 550 мм;
575 — Тележка мостовая гп 1200 кг, двухбалочная, колея 700 мм;
576.504 — Тележка мостовая гп 1200 кг, двухбалочная УСВ для 504-505, колея 550 мм;
576.506 — Тележка мостовая гп 1200 кг, двухбалочная УСВ для 506-507, колея 550 мм;
577.504 — Тележка мостовая гп 1200 кг, двухбалочная УСВ для 504-505, колея 700 мм;
577.506 — Тележка мостовая гп 1200 кг, двухбалочная УСВ для 506-507, колея 700 мм;
584 — Тележка мостовая гп 2400 кг, двухбалочная, колея 550 мм;
585 — Тележка мостовая гп 2400 кг, двухбалочная, колея 700 мм;
586.504 — Тележка мостовая гп 2400 кг, двухбалочная УСВ для 504-505, колея 550 мм;
586.506 — Тележка мостовая гп 2400 кг, двухбалочная УСВ для 506-507, колея 550 мм;
587.504 — Тележка мостовая гп 2400 кг, двухбалочная УСВ для 504-505, колея 700 мм;
587.506 — Тележка мостовая гп 2400 кг, двухбалочная УСВ для 506-507, колея 700 мм
Применяется совместно с тележками грузовыми:
520 — Тележка грузовая гп 600 кг, базовая;
520.ТЭК — Тележка ТЭК грузовая гп 600 кг, базовая;
521 — Тележка грузовая гп 600 кг, поперечная;
523 — Тележка грузовая гп 600 кг, под крюк;
524 — Тележка грузовая гп 600 кг, под шарнир;
527 — Тележка грузовая гп 600 кг, двухбалочная, колея 550 мм;
530 — Тележка грузовая гп 1200 кг, базовая;
530.ТЭК — Тележка ТЭК грузовая гп 1200 кг, базовая;
531 — Тележка грузовая гп 1200 кг, поперечная;
533 — Тележка грузовая гп 1200 кг, под крюк;
534 — Тележка грузовая гп 1200 кг, двухбалочная УСВ, колея 550 мм;
535 — Тележка грузовая гп 1200 кг, двухбалочная УСВ, колея 700 мм;
536 — Тележка грузовая гп 1200 кг, двухбалочная УСВ, колея 550 мм, высота 259 мм;
537 — Тележка грузовая гп 1200 кг, двухбалочная УСВ, колея 700 мм, высота 259 мм;
543 — Тележка грузовая гп 2400 кг, под крюк;
544 — Тележка грузовая гп 2400 кг, двухбалочная УСВ, колея 550 мм;
545 — Тележка грузовая гп 2400 кг, двухбалочная УСВ, колея 700 мм;
546 — Тележка грузовая гп 2400 кг, двухбалочная УСВ, колея 550 мм, высота 259 мм;
547 — Тележка грузовая гп 2400 кг, двухбалочная УСВ, колея 700 мм, высота 259 мм.
| Производитель | |
|---|---|
| Тип устройства | направляющая |
длина товара — до 120 мм, вес товара до 50 кг. — от 600 руб.


Доставка товара осуществляется в течение 3-х рабочих дней или по желанию клиента.
Доставка товаров осуществляется транспортной компанией по предоплате
Стоимость доставки зависит от города получателя, веса и объема груза, а также транспортной компании и способа перевозки. Как правило на сайтах компаний-перевозчиков есть онлайн-калькуляторы, воспользовавшись которыми, можно понять ориентировочную стоимость доставки. Или можно спросить у наших менеджеров — они посчитают.
Да. Доставка по Москве до транспортной компании будет бесплатной, а транспортной компании нужно будет доплатить за негабарит (дороже на 30-50%, чем перевозка габаритного груза)
До ряда транспортных компаний 1 раз в неделю мы доставляем товар бесплатно. Предпочтение отдается транспортной компании Деловые линии. Бесплатная доставка до компаний GTD, ПЭК и Байкал-Сервис производится, если в городе получателя отсутствует склад компании Деловые линии. Также осуществляем отправку груза любой удобной Вам транспортной компанией (доставка до транспортной компании в данном случае оплачивается дополнительно).
Отгрузка товара осуществляется бесплатно до транспортной компании по вторникам.
Для все покупателей нашего интернет-магазина, доступны следующие способы оплаты:
