ширина — регулируемая
для балки любой
система РОЛТЭК

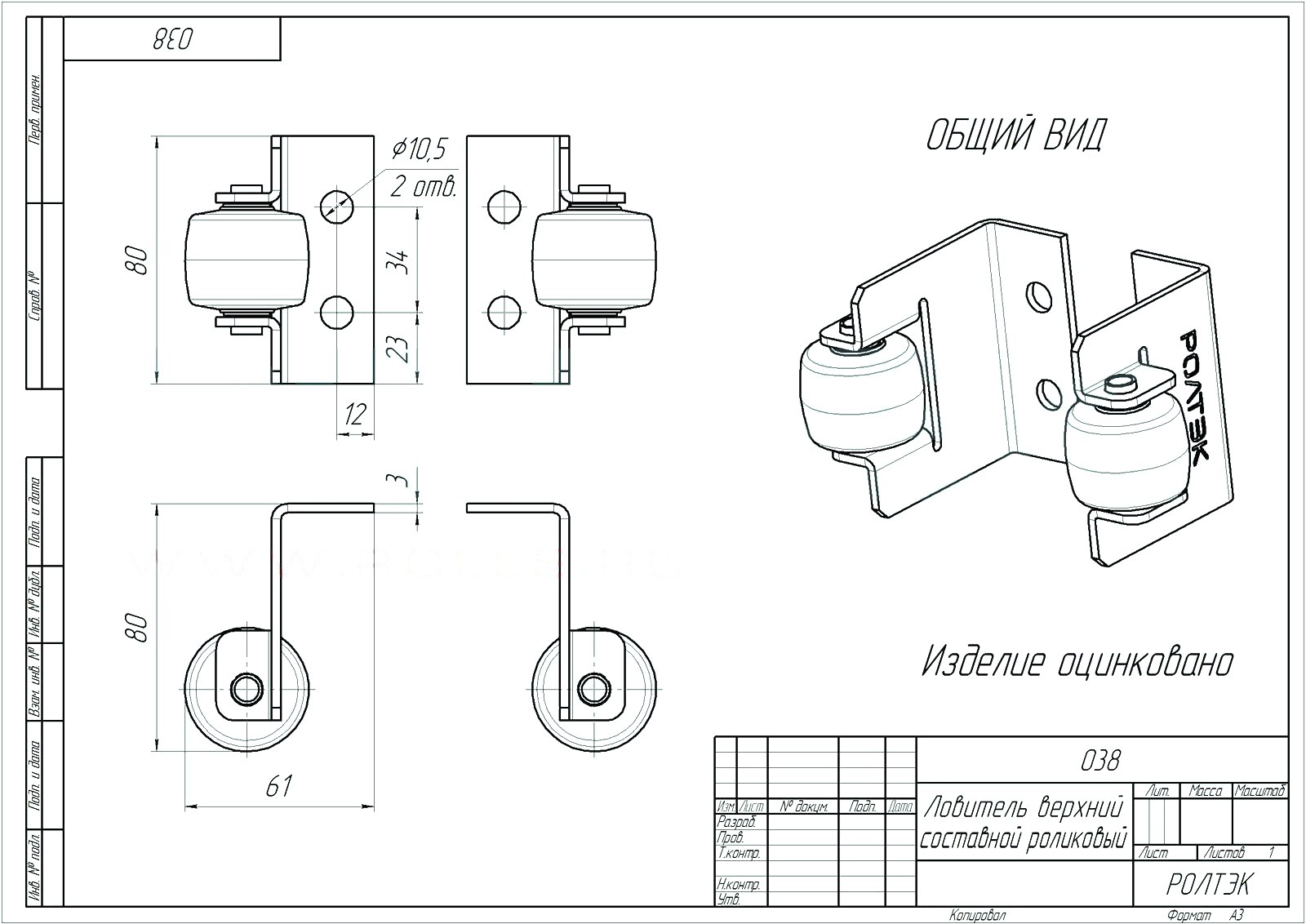
Характеристики ловителя верхнего составного роликового РОЛТЭК для откатных ворот
Ловитель верхний составной роликовый предназначен для удержания верхнего края ворот в закрытом состоянии. В конструкции ловителя предусмотрены ролики резиновые с внутренней нейлоновой втулкой скольжения, исключающие повреждение декоративного покрытия ворот. В закрытом состоянии снижается уровень шума за счет поглощения вибраций створки ворот.
Ловитель выполнен из двух частей, что позволяет производить регулировку по ширине. Использование совместно с кронштейном ловителя усиленным (058) дает возможность регулировки ловителя по ширине и очень удобно.
Для крепления ловителя к боковым поверхностям рекомендуется использовать прочный кронштейн ловителя усиленный (код 058), который обеспечивает также возможность регулировки ловителя по горизонтали за счет предусмотренных пазов. Ловитель крепится при помощи болтового соединения для возможности последующей регулировки, которая может понадобиться при проседании грунта и в других случаях. Не допускается крепление ловителя при помощи сварки, это приводит к коррозии и деформации изделия, а также исключает последующую регулировку!
При изготовлении откатных двустворчатых ворот ловитель верхний роликовый можно использовать для совмещения и удержания встречно двигающихся ворот.
| Комплектация | |
|---|---|
| Тип устройства | ловитель |
| Производитель | |
| Вес створки |
длина товара — до 120 мм, вес товара до 50 кг. — от 600 руб.


Доставка товара осуществляется в течение 3-х рабочих дней или по желанию клиента.
Доставка товаров осуществляется транспортной компанией по предоплате
Стоимость доставки зависит от города получателя, веса и объема груза, а также транспортной компании и способа перевозки. Как правило на сайтах компаний-перевозчиков есть онлайн-калькуляторы, воспользовавшись которыми, можно понять ориентировочную стоимость доставки. Или можно спросить у наших менеджеров — они посчитают.
Да. Доставка по Москве до транспортной компании будет бесплатной, а транспортной компании нужно будет доплатить за негабарит (дороже на 30-50%, чем перевозка габаритного груза)
До ряда транспортных компаний 1 раз в неделю мы доставляем товар бесплатно. Предпочтение отдается транспортной компании Деловые линии. Бесплатная доставка до компаний GTD, ПЭК и Байкал-Сервис производится, если в городе получателя отсутствует склад компании Деловые линии. Также осуществляем отправку груза любой удобной Вам транспортной компанией (доставка до транспортной компании в данном случае оплачивается дополнительно).
Отгрузка товара осуществляется бесплатно до транспортной компании по вторникам.
Для все покупателей нашего интернет-магазина, доступны следующие способы оплаты:
